Descripción

Los soportes SHF son componentes esenciales en sistemas de movimiento lineal, diseñados para fijar ejes de manera segura y estable en una amplia variedad de aplicaciones industriales y de automatización. Su diseño permite una sujeción firme con una instalación sencilla, asegurando precisión y estabilidad en los desplazamientos lineales. En comparación con otros tipos de soportes como los SK, los SHF permiten una fijación paralela al eje, más rápida y ajustable gracias a su diseño con abrazadera, lo que facilita modificaciones y ajustes sin necesidad de desmontar completamente el eje. Son especialmente recomendados en aplicaciones donde se requiera un montaje y desmontaje frecuente del eje o donde se necesite un ajuste fino en la alineación del mismo.
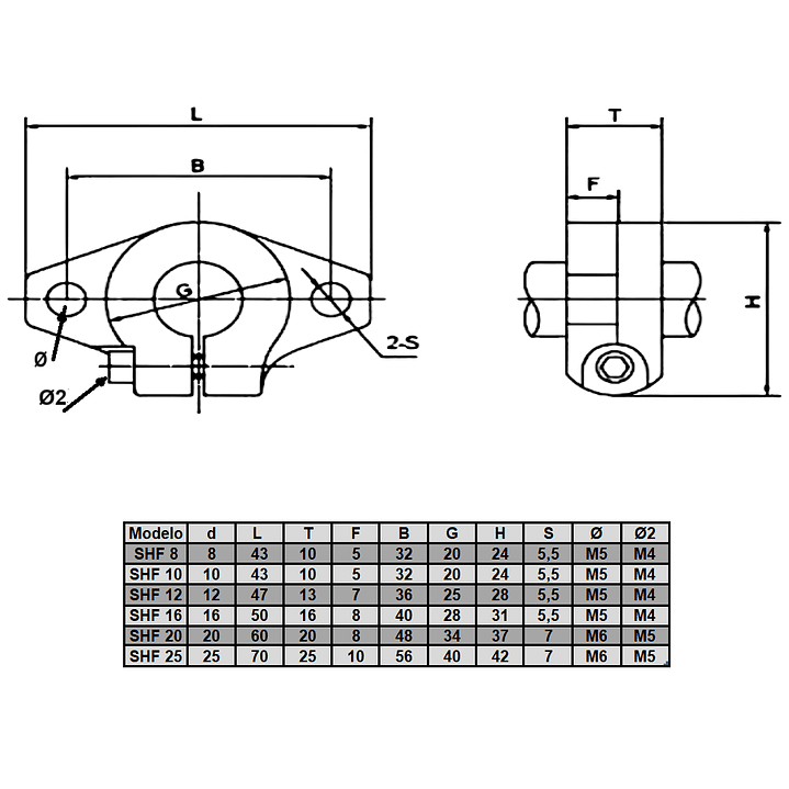
Tiene las siguientes características:
  • Ancho: 50 mm.
  • Alto: 31 mm.
  • Largo: 16 mm.
  • Peso: 10gr.
  • Material: Aluminio revestido en niquel
  • Compatibles con ejes de 16 mm de diámetro Eje cromado de 16 mm
  • Cantidad de orificios: 2
  • Pernos de fijación: M5
  • Productos relacionados
Puede consultar las medidas en la segunda imagen

*Cada pack incluye 2 unidades

Estos soportes están disponibles en distintos tamaños para adaptarse a diferentes diámetros de eje, lo que los hace versátiles y compatibles con diversas configuraciones mecánicas. Fabricados en aleación de aluminio, ofrecen resistencia, durabilidad y facilidad de instalación, siendo ideales para impresoras 3D, máquinas CNC y otros sistemas que requieren alineación precisa de ejes lineales.
|

SHF16 - Soporte lateral para ejes de 16 mm (Pack 2 und)

Productos Destacados

Envío gratis
Comunas RM en compras mayores $39.990
CONDICIONES
Pagos Seguros
WebPay, Transferencia bancaria
Abierto 24 horas
Compra online las 24/7
Tienda
RETIRO EN TIENDA
Rápido, fácil y sin esperas
TIENDA
Envíanos un mensaje de WhatsApp