Descripción

Este perfil estructural T-slot está fabricado en aluminio 6063 anodizado, ofreciendo una combinación ideal de resistencia, durabilidad y ligereza. Su diseño permite una fácil integración en diversos proyectos, proporcionando un soporte estable y un acabado profesional.

Tienen las siguientes características:
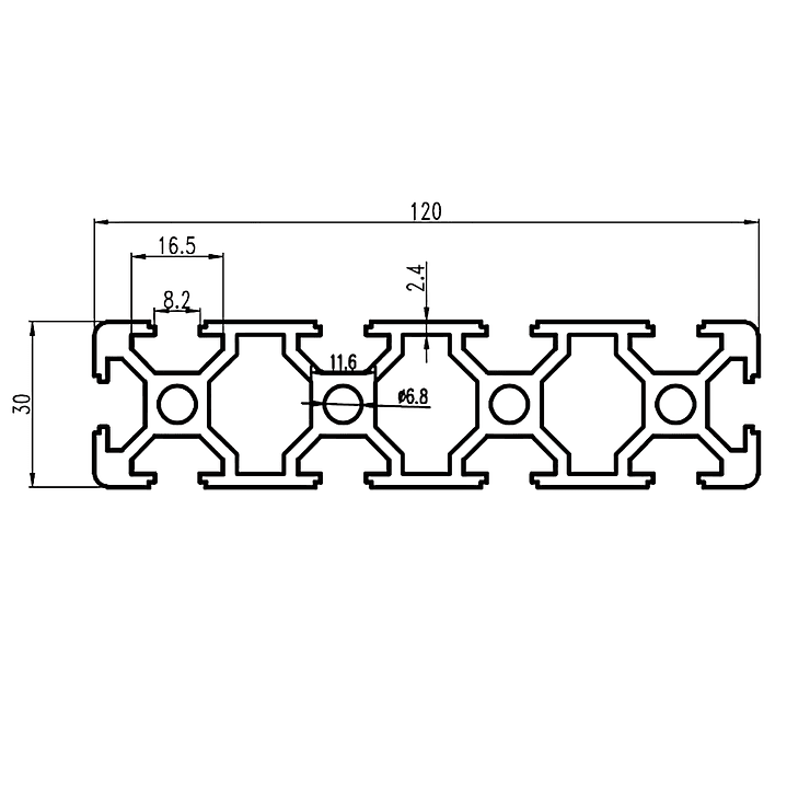
Puede consultar las medidas en la segunda imagen

Cada pack incluye 1 unidad

Ampliamente utilizado en la construcción de sistemas CNC, impresoras 3D e impresoras láser, este perfil es una opción versátil para estructuras modulares. Su compatibilidad con una gran variedad de accesorios permite una instalación flexible y segura, facilitando la creación de ensamblajes sólidos y funcionales

|

Perfil Estructural Aluminio Tslot 30x120x2000 mm

Productos Destacados

Envío gratis
Comunas RM en compras mayores $39.990
CONDICIONES
Pagos Seguros
WebPay, Transferencia bancaria
Abierto 24 horas
Compra online las 24/7
Tienda
RETIRO EN TIENDA
Rápido, fácil y sin esperas
TIENDA
Envíanos un mensaje de WhatsApp