Descripción

Es un componente diseñado para conectar y fijar de manera segura una pata niveladora a un perfil de aluminio con ranura en T. Su función principal es proporcionar estabilidad y permitir el ajuste de altura en estructuras modulares, facilitando la nivelación en superficies irregulares. Este accesorio garantiza una instalación sencilla y firme sin necesidad de modificaciones adicionales en el perfil.
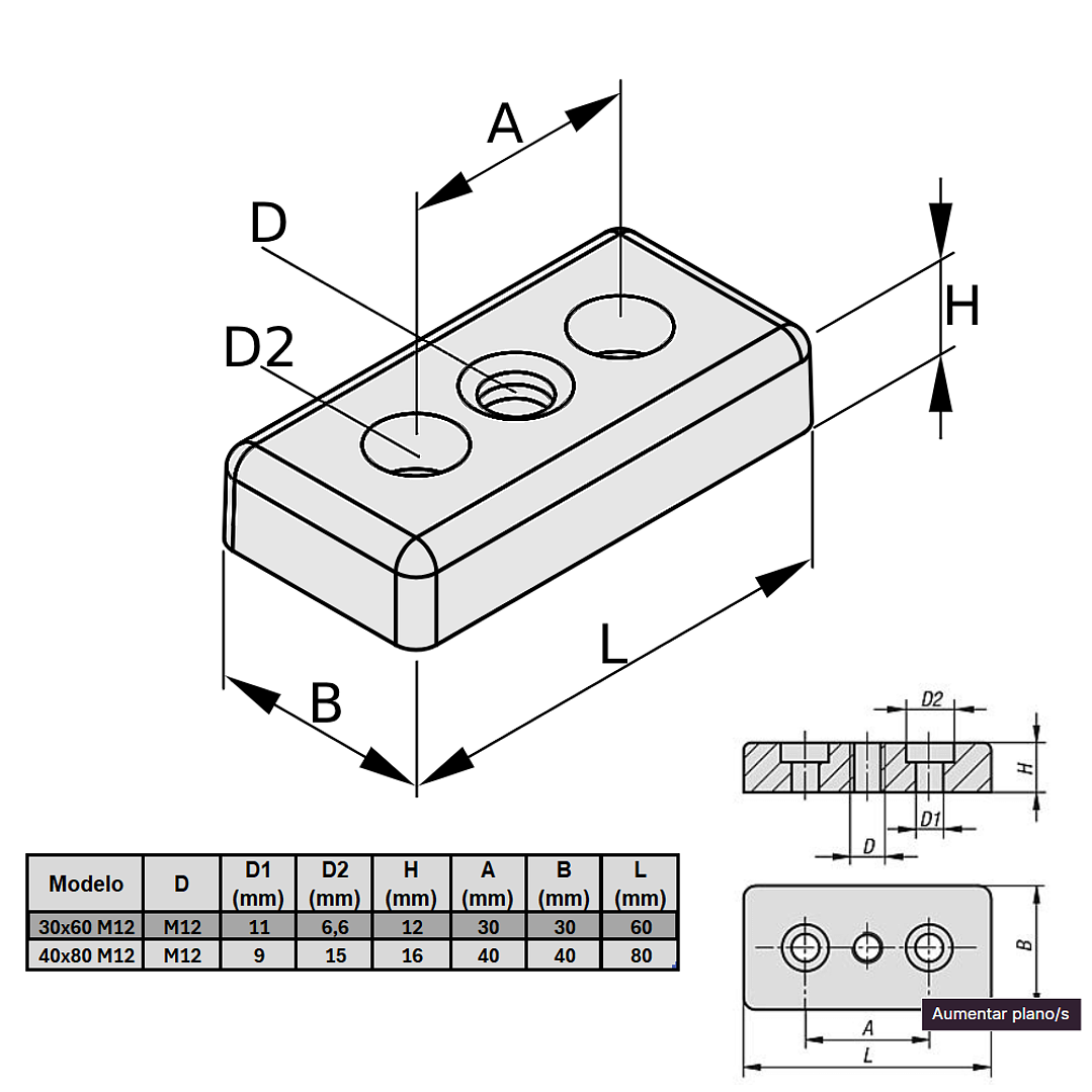
Tiene las siguientes características:
Consulte las medidas en la segunda imagen
Cada pack incluye 1 unidad
Este producto está diseñado para acoplar una pata ajustable a un perfil T-Slot de 40x80 mm, proporcionando una solución estable y adaptable para diversas aplicaciones. Su principal función es permitir el ajuste de altura y la nivelación en estructuras fabricadas con perfiles de aluminio, como mesas de trabajo, bastidores, máquinas industriales y estanterías modulares.
|

Base para pata M12 para perfil 40x80 mm

Productos Destacados

Envío gratis
Comunas RM en compras mayores $39.990
CONDICIONES
Pagos Seguros
WebPay, Transferencia bancaria
Abierto 24 horas
Compra online las 24/7
Tienda
RETIRO EN TIENDA
Rápido, fácil y sin esperas
TIENDA
Envíanos un mensaje de WhatsApp